MONTAŽA SEGMENATA
Dopremljene dijelove segmenata na gradilište potrebno je prije montaže očistiti pjeskarenjem, metalizirati tarne površine, te nanijeti temeljni premaz.
Ove aktivnosti se obavljaju sa obije strane, nakon čega će se izvršiti ukrupnjavanje u veće sklopove vodeći računa o nosivosti transportnih sredstava, kao i sredstava za dizanje. Za manipulaciju i dizanje čelične konstrukcije koristit će se sa svake strane obale po jedna mobilna dizalica na gusjenicama nosivosti 800 kN, te plovna dizalica nosivosti 350 kN, koja će se koristiti za obije strane.
Dijelovi rešetke RIII se međusobno suočeno spajaju na obali te se prenose na mjesto ugradnje i oslanjaju na stup i pomoćni stup. Nakon toga slijedi montaža poprečnog nosača, te montaža dijagonala i gornjeg nosača RIII. Potom se montira donji nosač istih segmenata rešetke RII, koji se spajaju sa poprečnim nosačem. Na tako postavljene nosače RIII i RII postavlja se željeznički dio orto-ploče, a zatim kompletira konstrukcija RII.

Slika 7 Shematski prikaz rešetki
Ispod konstrukcije mosta postavit će se viseća skela za željeznički dio mosta sa koje će se izvršiti centriranje donjeg pojasa čelične konstrukcije i međusobno spajanje montažnih elemenata.
Postupak montaže RI, odnosno cestovnog dijela mosta je istovjetan opisu montaže željezničkog dijela mosta.Montažni elementi rešetki RI, RII, RIII, te gornji vjetrovni spregovi, međusobno će se spajati sa HV vijcima, a orto-ploča međusobno i sa donjim glavnim nosačima REL zavarivanjem i EPP zavarivanjem.

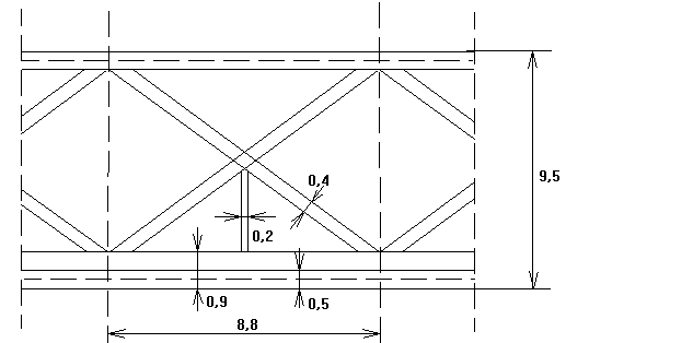
Slika 8 Shematski prikaz detalja križa na mosnoj konstrukciji
Slika 9 Fotografija križa na mosnoj konstrukciji
Slika 10 Shematski prikaz postavljanja križa na nosače rešetki
Upadni segment, segment na sredini mosta koji se stavlja kao posljednji povezuje segmente koji su postavljani sa obije strane. On će se montirati tek nakon utvrđivanja da su urađene sve predradnje koje garantiraju njegovu ispravnu i uspješnu ugradnju.
Svi montažni elementi ovog segmenta se u tijeku montaže međusobno i sa susjednim segmentima privremeno pridržavaju uz pomoćne naprave i to sve dok se kompletna konstrukcija mosta ne dovede u projektirano stanje oblika i mjera.
Nakon centriranja kompletne čelične konstrukcije mosta izvršit će se bušenje rupa za HV vijčane spojeve na zadnjem segmentu rešetki i zavariti montažni zavareni spoj.
Povratak na prethodnu stranicu!
Povratak na početnu stranicu - povratak na sadržaj!!