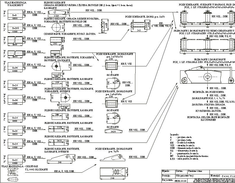
Radne i kontrolne operacije definirane su na crtežu PHB1 .00 .00:

5143.jpg (193975 bytes)

Povratak!!

Povratak na početnu stranicu - povratak na sadržaj!