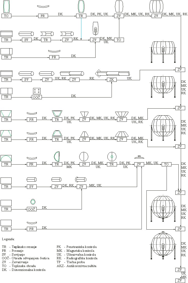
Slijed proizvodni i kontrolnih aktivnosti pri izradi kuglastog spremnika.

5130.jpg (159101 bytes)

Povratak!!

Povratak na početnu stranicu - povratak na sadržaj!