IZVORI STRUJE ZA ZAVARIVANJE
Izvori struje za zavarivanje su takovi električni uređaji koji daju na mjestu zavarivanja električnu struju sa karakteristikama pogodnim za zavarivanje.
Kada su priključeni na električnu mrežu (trofaznu ili monofaznu) kaže se da su u praznom hodu (uređaj je pod naponom, spreman za rad, ali se još nije uspostavio električni luk). Napon praznog hoda mora biti dovoljan da se uspostavi električni luk, ali ne smije biti previsok da bi ugrozio čovjekov život (u nekim nepovoljnim slučajevima). Obično je napon praznog hoda kod ručnih uređaja oko 40 do 60 volti, a kod automatskih ne iznad 100 V (110 V).
Uređaji za zavarivanje:
Shema sistema za zavarivanje

- Transformatori
Transformatori za zavarivanje su najprošireniji, najviše upotrebljavani izvori str
uje za zavarivanje koji izmjeničnu električnu struju transformiraju u također izmjeničnu struju sa karakteristikama pogodnim za zavarivanje.
Rad transformatora se zasniva na principu elektromagnetske indukcije. Kada kroz primar
transformatora prolazi električna struja, formira se magnetsko polje (smjer silnica magnetskog polja se određuje po pravilu “desne ruke”). Kada se vodič (u ovom slučaju sekundar transformatora) nađe u promjenljivom magnetskom polju, tada se na njegovima krajevima detektira razlika potencijala, tj. napon.Ako se kor
iste kod REL zavarivanja, njihova je statička karakteristika strma. Koeficijent iskorištenja takvog transformatora je h =0,95 ¸ 0,99. Statička karakteristika transformatora se može mijenjati u određenom području.
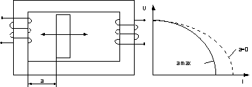
Načini promjene statičke karakteristike transformatora: - pomična ili zakretna kotva,
![]() |
![]() |
![]() |
![]() |
- transformator sa prigušnicom

2. Ispravljači
Ispravljači su takovi izvori struje za zavarivanje koji daju istosmjernu struju za zavarivanje sa karakteristikama pogodnim za zavarivanje. Uobičajeno se napajaju trofaznom izmjeničnom strujom. Nakon transformacije struje pomoću transformatora za zavarivanje, slijedi ispravljanje struje (poluvodičke diode, tiristori, tranzistori, …)
Princip ispravljanja izmjenične struje u istosmjernu pomoću poluvodičke diode.




Poluvodiči ( Silicij, Arsen, Selen, ... )
N - poluvodič
Z - zaporni spoj
P - poluvodič

Sve te diode idu iza transformatora koji je tipičan transformatoru za zavarivanje, ali ne i jednak. Danas se za ispravljanje izmjenične u istosmjernu struju koristi moderna tiristorska i tranzistorska tehnika, dok se ispravljanje struje pomoću poluvodičkih dioda rjeđe susreće na starijim izvorima struje u pogonima.
Ovisno o namjeni (koji postupak zavarivanja), statička karakteristika izvora struje može biti strma ili položena. Napr. Za poluautomatsko zavarivanje MAG
– položena, za EP (do promjera žice za zavarivanje 3 mm) – položena, za EP (preko 3 mm promjer žice) – strma, …Izvedba ispravljača
za zavarivanje: Transformator + ispravljački dioPrednost ispravljača nad transformatorima
:- daju stabilniji električni luk (nema promjena kretanja električnog luka 50 puta u sekundi)
Nedostaci u odnosu na transformatore:
- skuplji su od običnog transformatora,
Rotacijski pretvarači
Rotacioni pretvarači su takvi izvori struje za zavarivanje koji struju iz električne mreže
posredstvom elektromotora i generatora pretvaraju u struju vrlo dobrih karakteristika pogodnih za zavarivanje. Namjenjeni su za rad u terenskim uvjetima i na mjestima sa nestabilnom električnom mrežom (velike i česte oscilacije napona). Iako je to vrlo rijetko u praksi, iza generatora može slijediti ispravljački dio, pa se na mjestu zavarivanja može imati pored izmjenične i istosmjerna struja.
Prednost pretvarača pred ispravljačima ja da lako transformiraju električnu
struju napona 380 V na 50 V. Nedostatak je što su bučni u radu i imaju niži stupanj korisnog djelovanja. Cijena im je viša u odnosu na transformatore i ispravljače.Agregati za zavarivanje neovisni su o električnoj mreži, tj. pogodni su za montažu. Pogone se od strane disel ili benzinskog motora, a on pokreće generator koji daje struju karakteristika pogodnih za zavarivanje. Cijena im je značajno viša u odnosu na transformatore i ispravljače.
Invertori daju istomjernu ili visokofrekventnu pulsirajuću struju. Pojavili su se na tržištu u relativno novije vrijeme i sve se više koriste u praksi zbog niza prednosti u odnosu na ostale izvore struje za zavarivanje. Pored toga što daju stabilnu karakteristiku električne struje za zavarivanje, prednosti im je izuzetno mala težina u odnosu na ostale izvore struje za zavarivanje. Ova ušteda u težini postignuta je smanjenjem dimenzija transformatora, koji je za frekvenciju mreže od 50 Hz masivan da se onemogući pretjerano zagrijavanje u radu. Inverter se sastoji od ispravljača koji daje istosmjernu struju napona gradske mreže, zatim tiristorskog dijela koji “sjecka” istosmjernu struju i daje impulse fekvencije čak do 50 kHz. Ovi visokofekventni impulsni napona gradske mreže se zatim transformiraju na napon potreban u zavarivanju. Zbog visoke frekvencije ne dolazi do zagrijavanja transformatora (“skin - efekt”). U sljedećem je koraku moguće te impulse stopiti da daju istosmjernu struju.

Intermitencija stroja za zavarivanje:
Vrijeme ciklusa (tc) = vrijeme rada (tr) + vrijeme hlađenja (th) = 10 min
Napr. izvor struje ima intermitenciju e = 30 % kod jakosti struje 200 A. To znači da je moguće normalno vrijeme rada kod te struje tr = e × 10 min. = 0,3 × 10 = 3 min., a potrebno vrijeme hlađenja th = 10 – 3 = 7 min.
Isti taj izvor struje može
napr. imati intermitenciju e = 100 % kod jakosti struje 120 A. To bi značilo da izvor struje može raditi neprestano kod te vrijednosti jakosti struje, a da se neće pregrijati u radu (neće se uključiti sigurnosna sklopka).Podaci vezani uz intermitenciju stroja nalaze se na svakom izvoru struje za zavarivanje.
Kod zavarivanja se koristi i termin intermitencija pogona za zavarivanje. Ona se odnosi na udio stvarnog gorenja električnog luka tijekom radnog dana. Kod REL zavarivanja se smatra dobrom intermitencijom pogona vrijednost intermitencije od 30 %. Samo kod dobro organiziranih pogona može dostići vrijednost čak do 50 %. Jasno je da pri zavarivanju postoje različita pripremno završna i pomoćna vremena (izmjena elektrode, čišćenje šljake, okretanje komada i dr.). Ova se vrijednost koristi za proračun troškova zavarivanja i norme zavarivačkih radova.
Povratak na početnu stranicu - povratak na popis pitanja!!